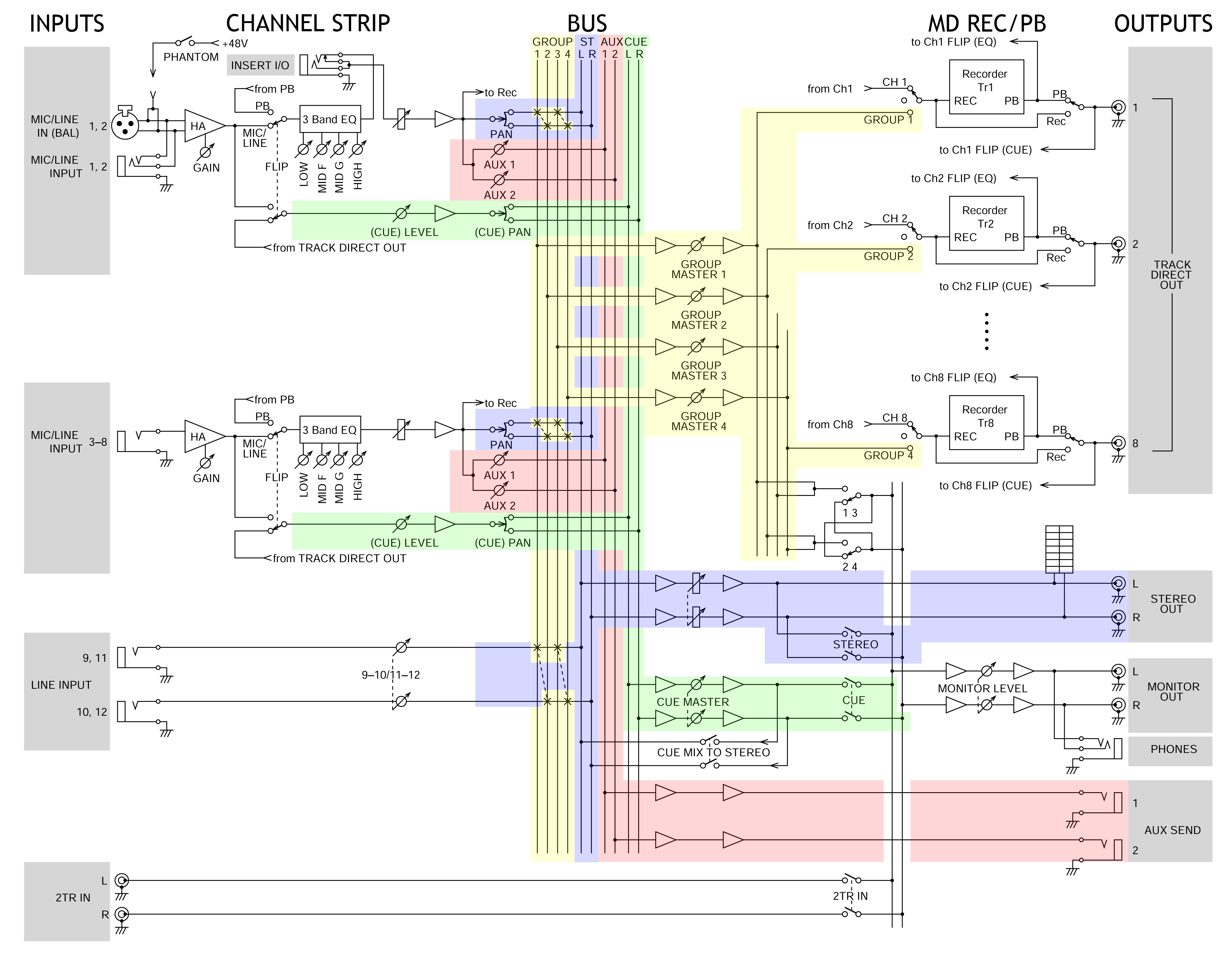
Yamaha MD8 - Signal Flow

start | overview | signal flow | workflow | screen | midi | cue levels and overdub | quick manual | repair

The block diagram from the manual, but coloured for clarity.
Download biggie.

 

copyright: tinyloops.com - contact